
“ 很多用戶在購買導熱油鍋爐時,都會找導熱油鍋爐廠家報價,優先考慮報價低的產品,事實上鍋爐的主要成本不僅僅只有購置費用,還有運行費用、維護費用。一臺熱效率高的鍋爐運行費用比熱效率低的,每年會產生幾十萬差距。因此在購買導熱油鍋爐時,節能也是很重要的參考因素。 1…
“導熱油鍋爐價格需要根據用戶選擇多大的鍋爐及壓力、燃燒器、輔機等各個方面進行確定的。選擇不同價格也會不同,導熱油鍋爐應該如何選擇,先選好專業正規的廠家,然后提供自身需求根據廠家推薦型號,最后再確定價格。下面以無錫中正鍋爐有限公司(以下簡稱“中正鍋爐”)…
“150噸燃油導熱油鍋爐作為廣泛應用的工業供熱設備,市場上銷售導熱油鍋爐廠家有很多,但是沒有生產能力,通過獲取訂單,去其他廠家采購繼而銷售出去,從中間獲取提成,這樣的產品不僅質量得不到保證,產品價格還會高很多。中正導熱油鍋爐廠家直銷,沒有中間流程差價,在保證產品質量的前提…

燃氣導熱油鍋爐在工業生產中應用已經非常普遍,很多用戶對于鍋爐設備的了解僅僅停留在購買初期的一些價格,對于鍋爐設備的專業知識還是不熟悉。在鍋爐運行過程中操作不當就會對鍋爐設備造成傷害,影響鍋爐的運行安全和鍋爐壽命。因此用戶對于燃氣導熱油鍋爐緊急停爐注意事項和

燃氣導熱油鍋爐作為目前市場上備受青睞的工業鍋爐中的一種,俗話說的好“知己知彼,才能百戰不殆”,鍋爐選購也是如此。深入了解一些關于燃氣導熱油鍋爐的專業知識才能更好的購買到性價比高,適合自身需求的鍋爐設備。今天詳細介紹以下鍋爐中比較重要的一個配件,燃氣導

環保問題是工業燃氣鍋爐避不開的一個問題,燃氣導熱油鍋爐具有環保排放、低壓高溫、高效節能、智能運行控制等特點成為很多企業用戶選購工業鍋爐的首選。無錫中正鍋爐作為燃氣導熱油鍋爐十大品牌之一,為用戶提供從鍋爐選型到安裝售后的一條龍定制服務,產品性能高效,銷售服務優

市場上燃油導熱油鍋爐設備廠家不少,對于不熟悉鍋爐設備的用戶來說選擇廠家非常的困難,在這里為大家推薦一個燃油導熱油鍋爐設備較好的廠家——無錫中正鍋爐有限公司(以下簡稱“中正鍋爐”),該廠家生產出來的燃油導熱油鍋爐設備型號非常的多,價格高低都有

燃氣導熱油鍋爐是以可燃液體為燃料,導熱油為熱載體,利用循環油泵強制液相循環,將熱能輸送給用熱設備,繼而返回重新加熱的直流式特種工業爐。具有高效環保、低壓高溫的特點被廣泛應用于石化、紡織、印染、塑料、橡膠、食品加工、木材加工等行業。燃氣導熱油鍋爐廠家都是按照與

導熱油鍋爐指的是以導熱油為工質的工業鍋爐,其中燃氣導熱油鍋爐隨著近年來的環境問題的關注,需求量越來越大。燃氣導熱油鍋爐屬特種設備,其設計、生產、出廠、安裝都必須接受國家技術監督部門的監查,每個廠家的產能不一樣,生產的產品功能針對性也不一樣,價格也不一樣,因此要說燃氣導熱油鍋爐

為什么要用燃氣導熱油鍋爐為了減少燃煤產生的大氣污染,其次亦可減少二氧化碳的排放,有利于全球氣候保護,堅持都可持續發展道路方針,國家大力推行“煤改氣”政策無錫中正鍋爐有限公司(以下簡稱“中正鍋爐”)作為工業鍋爐廠家的領導者也是不遺余力支持政策

燃氣導熱油鍋爐簡介燃氣導熱油鍋爐指以可燃氣體為燃料,導熱油作為工質的鍋爐設備,是工業鍋爐中常見的一種鍋爐設備,燃料一般是天然氣、煤氣、沼氣等。因為其具有清潔、環保、高效等特點。在工業生產中應用越來越廣泛,隨著市場需求量的不斷增加,為了滿足不同用戶不同行業的不同

燃氣導熱油鍋爐簡介燃氣鍋爐熱效率普遍在85%,燃煤鍋爐熱效率一般65%—70%左右,燃氣鍋爐不需要爐排和大的燃燒空間以及消煙除塵設備,占用場地小。100萬大卡燃氣導熱油鍋爐是最常見的一個型號,因為其功率、供熱量符合大多數中小企業的生產供熱,因此購買該型號的用戶非常多

燃氣導熱油鍋爐環境的問題越來越受到工業用戶的青睞,具有環保、高效、低壓、高溫的特點。一臺完整的燃氣導熱油鍋爐包括鍋爐主體、燃燒器、其他輔機配件組成,由此就該知道,燃燒器對于燃氣導熱油鍋爐的重要作用。燃氣導熱油鍋爐的價格沒有一個統一的標準,每個廠家都有一份報價

鍋爐房作為燃氣導熱油鍋爐安裝區域,為了保障鍋爐設備的安全運行,必須嚴格執行相關管理制度,下面詳細介紹燃氣導熱油鍋爐鍋爐房布置以及管理制度。燃氣導熱油鍋爐鍋爐房管理制度一、鍋爐系統操作人員,必須持有效的相應證件上崗。二、鍋爐值班操作人員在崗工作期間,必須認真履行

瀝青站用導熱油燃油鍋爐介紹瀝青站用導熱油燃油鍋爐鍋爐在企業生產線的供熱環節扮演舉足輕重的作用,因此高效、穩定運行的燃油導熱油鍋爐與企業生產線效益掛鉤。鍋爐供熱過程中熱量減少會增多鍋爐燃料成本,那么導熱油燃油鍋爐如何減少熱量損失,提高熱效率?1、減少有機化學乙

導熱油鍋爐根據燃料分為生物質導熱油鍋爐,燃氣導熱油鍋爐等。隨著導熱油鍋爐需求增大,眾多鍋爐廠家紛紛推出各種型號導熱油鍋爐,其中生物質導熱油鍋爐比傳統鍋爐環保高效,每個生產廠家為了充分的展示自己公司的優勢與特點,都付出百倍努力來使自己的公司更加的強大,可是市場經濟

赤峰生物質導熱油鍋爐廠家哪個好?網絡信息魚龍混雜,用戶一定要仔細鑒別,謹防上當受騙。選擇一個優質的赤峰生物質導熱油鍋爐廠家,條件允許就去驗廠,直接找廠家,可以省去很多的費用,而且直接去驗廠,也可以直觀看出廠家的正規與否。在選購赤峰生物質導熱油鍋爐時,我們要注意以下幾

燃油型導熱油鍋爐特點:1、燃油型導熱油鍋爐的鮮明特點是倒流傳熱,點燃排煙系統溫度與熱導油的出入口溫度差在30℃下列。2、因為選用盤列管式設計方案結構,因此受熱面充裕,能夠進一步提高鍋爐的熱效。3、燃油型導熱油鍋爐具備底壓高溫的特性,關鍵是在較低的工作壓力下開展運行,

生物質導熱油鍋爐簡介由于燃煤工業鍋爐造成的環境污染非常嚴重,生物質燃料具有環境友好、可以再生的特點,符合國家推行的可持續發展方針,因此,開發生物質燃料鍋爐,對節約常規能源、優化我國能源結構,減輕環境污染有著積極意義。近幾年隨著對這種設備的認同,已經在多種行業內都有

導熱油鍋爐也叫有機熱載體鍋爐,因其不同于其他工業鍋爐的特點,多用于高溫的工業用戶生產供熱。生物質導熱油鍋爐因為其符合國家可持續發展戰略方針進入用戶視野,特別是2噸的生物質導熱油鍋爐適用的行業范圍很廣,需求量很多。2噸生物質導熱油鍋爐性能優勢1、安全:操作壓力低,系

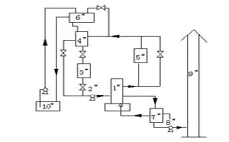
生物質導熱油鍋爐工作原理的基本情況,鍋爐本體的前端為四周布置的水冷壁上部與鍋筒連接下部與集箱連接組成燃燒室,以吸收爐膛輻射熱,其后端在上下鍋筒之間布置密集的對流管束,燃燒后的高溫煙氣經過二次回程橫向沖刷對流受熱面后引至單獨布置的省煤器,最后進入除塵器經煙囪排出

小型燃油導熱油鍋爐一般都是指10噸以下鍋爐,鍋爐廠家只要有B級許可資質就可以生產制造。因此,市場上小型燃油導熱油鍋爐鍋爐廠家很多,小編今天為大家推薦作為無錫市代表性的工業鍋爐廠家無錫中正鍋爐,大品牌好口碑,產品質量有保障,售前售后服務很貼心。無錫中正鍋爐擁有A級特種

隨著近年工業技術發展,市面上燃油導熱油鍋爐型號越來越多,每個行業企業都能找到適合自身需求的燃油導熱油鍋爐。無錫中正鍋爐專注鍋爐生產30年,目前擁有400多種型號的工業鍋爐,燃油導熱油鍋爐型號齊全,可以滿足用戶的不同供熱需求。下面為大家列出部分燃油導熱油鍋爐型號以及

鍋爐燃燒室指的是鍋爐的本體,燃氣式導熱油鍋爐的主體配件有燃燒器和燃燒室組成,其他輔機配件有節能器、冷凝器、空預器、給水泵、分汽缸等,其工作原理是鍋爐燃燒產生的煙氣從爐膛尾部的出煙口依次進入燃燼室,拉稀的對流管束區,前部對流管束區,然后從鍋爐左側前部轉向進入螺旋鰭

四噸燃油導熱油鍋爐屬特種設備,其設計、生產、出廠、安裝都必須接受國家技術監督部門的監查,用戶需要取得鍋爐使用證才能運行鍋爐。和常壓鍋爐不同,燃油導熱油鍋爐出廠時必須帶有鍋爐手續,鍋爐手續包括鍋爐本體圖、安裝圖、儀表閥門圖、管道圖及檢驗合格證等。企業用戶購買4

燃油加熱導熱油鍋爐其實也就是燃油導熱油鍋爐,只是叫法不一樣。燃油導熱油鍋爐不管是自身的性能,還是在使用過程中的高效節能,都可以說明我們在選擇使用導熱油鍋爐的時候是可以發揮更好的作用,現在不少人對于導熱油鍋爐都很認可,也就保障了在實際使用的時候整體的價值都很明顯

燃油導熱油鍋爐看名字就知道導熱油在其中的重要作用,沒有規范操作使用導熱油鍋爐對于鍋爐的壽命以及運行狀況會造成很大的傷害。目前鍋爐廠家常建議的導熱油加油的方法是把導熱油從高位槽(膨脹罐)注入,這種方式的優勢是:可以通過高位差,快速注滿系統;缺點是:由于是從高處向低

導熱油鍋爐相比其他鍋爐具有高壓低溫的特點,雖然說安全性能提高不少,但是操作不當還是會對鍋爐造成一定的影響,嚴重的還會發生火災事故。接下來中正鍋爐廠家不僅僅為用戶提供優質的產品,還提供優質的服務,包括為用戶員工提供導熱油鍋爐操作說明培訓,下面將為大家介紹導熱油鍋爐
燃氣鍋爐價格版權所有©導熱油鍋爐地址:江蘇省無錫市宜興周鐵鎮分水新達路76號 蘇ICP備11085805號-2